Kontakt

Prodej motocyklů a skútrů

prodej@kentoyamotors.cz
tel: +420 605 717 117

Centrální sklad a značková prodejna:
251 68  Hlubočinka - Sulice, ul. Hlavní, Praha - východ

Prodej náhradních dílů a objednávky na servis

servis@kentoyamotors.cz
tel: +420 777 775 622

POZOR - centrální sklad není prodejna náhradních dílů, náhradní díly je nutno předem objednat přes e-shop a vyzvednutí je pak možné po obdržení avíza, že jsou díly připraveny k vyzvednutí

Doprava

Přečtěte si prosím jakým způsobem Vám doručíme Vaše zboží

Přejít na Doprava a platba

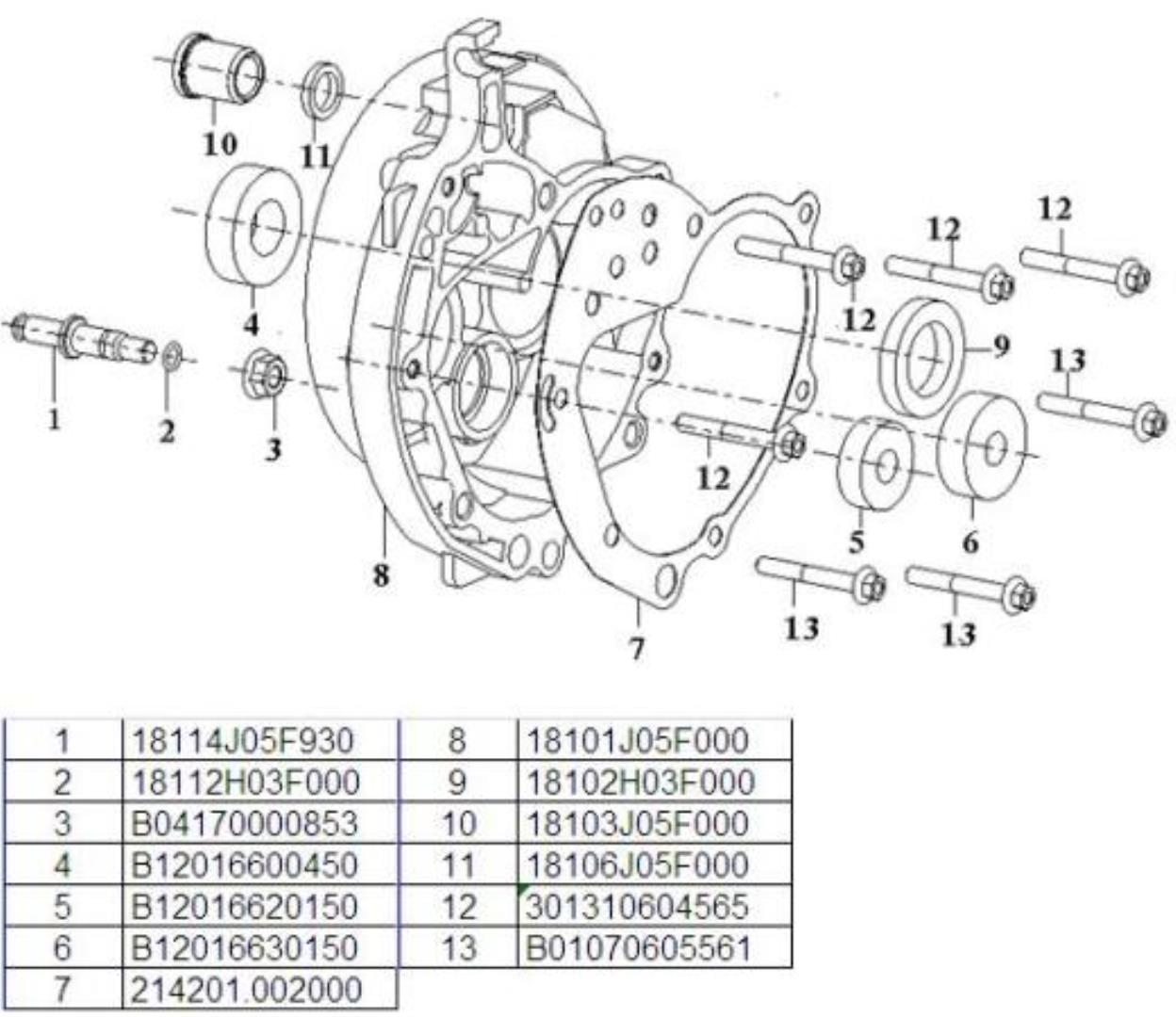
E08 kryt převodovky

E-SHOP KENTOYA.CZ - SEKCE NÁHRADNÍ DÍLY JE SPECIALIZOVANÝ E-SHOP URČENÝ PRO PRODEJCE ZNAČKY KENTOYA, PŘÍPADNĚ PRO ODBORNOU VEŘEJNOST.
Zboží není doplněno českými návody a montážními listy

Nebyly nalezeny žádné produkty

Akční nabídka

Svět kentoya

KENTOYA V ČR

Plzeňský kraj

Roman Florian - automateriál

Tachov

Adove s.r.o

Plzeň - Slovany

A-Come spol. s.r.o

Klatovy

Plzeňský kraj

Roman Florian - automateriál

Nerudova 1132
Tachov
34701

+420 123 456 789

florian@tachov.cz

< Zpět

 Praha Jihočeský kraj Jihomoravský kraj Karlovarský kraj Kraj Vysočina Královehradecký kraj Liberecký kraj Moravskoslezský kraj Olomoucký kraj Pardubický kraj Plzeňský kraj Středočeský kraj Ústecký kraj Zlínský kraj